产品概述
YJUAV CAN TOF20是一款CAN接口远距离测距传感器,测距量程0.2m~20m;集成高灵敏红外增强光电传感器,抗环境光能力强,具备温度补偿功能;适用于无人机、无人车的测距测高以及避障场景;采用标准DroneCAN协议,支持开源Ardupilot、PX4飞控即插即用;

产品特性
- 硬实时操作系统ThreadX,高效安全;
- 测距量程0.2m~20m,100Hz高速输出测距DroneCAN报文;
- 集成高灵敏红外增强光电传感器,具备反射率校准功能,抗环境光能力强,具备温度补偿功能;
- 采用标准DroneCAN协议,支持开源Ardupilot、PX4飞控即插即用;
- 参数配置开关设备终端电阻,自动适应CAN总线设备挂载方式;
采购链接
规格参数
| 规格项 | 参数值 |
|---|---|
| 处理器 | STM32F3 主频72Mhz |
| 传感器 | 红外SPAD传感器 |
| 实时系统 | ThreadX |
| 数据速率 | 100Hz |
| 测距范围 | 0.2m~20m |
| 测距精度 | ±2cm(0.2m~6m),±1%(>6m) |
| 抗强光 | 12m 100Klux |
| 温度补偿 | 具备 |
| 反射率校正 | 具备 |
| 视场角 | 1.3° |
| 激光光源 | 905nm |
| 人眼安全 | Class 1 |
| 通信协议 | DroneCAN/UAVCAN |
| 飞控类型 | Ardupilot/PX4 |
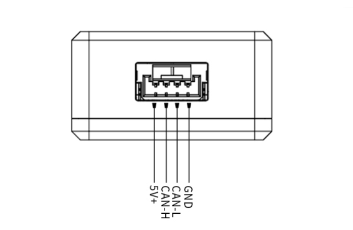
| 接口类型 | GHR-04V-S |
| 工作电压 | 5V |
| 工作温度 | -20 to 50℃ |
| 尺寸 | 31.9*27.5*13.9mm |
| 重量 | 9.2g |
产品尺寸


接口说明
根据接口线序接入到飞控硬件CAN通信接口即可,接口符合Pixhawk硬件定义标准;

使用说明
模块安装
模块可使用双面胶粘贴或者螺丝固定的方式固定在无人机、无人车或其他载具上;
注意:模块的测距镜面不能被障碍物遮挡,否则会导致测距不准确;